
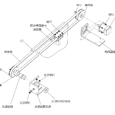
Solução de sistema servo para portão de segurança

Altamente integrados, fáceis de operar.
Monitoramento de torque em tempo real durante a operação para evitar travamentos, função de frenagem automática em caso de falha de energia, drive com comunicação CAN integrada, fácil de controlar, modo de demonstração, proporcionando uma forte sensação de experiência.

Instalação simples, com infraestrutura completa de suporte.
Espaçamento de portões auto ajustável, fácil de depurar, controle de torque e aumento do nível de segurança.

Cálculo automático da curva de operação, funcionamento suave, controle direto de distância que permite abertura e fechamento das portas sem impacto, alta eficiência de operação sem distância de deslocamento residual, acionamento direto, baixo nível de ruído e alta eficiência.

Design compacto com tamanho universal, resposta rápida, dissipação natural de calor adequada para condições severas, porta à prova de erros e fácil de usar, alto torque, alta eficiência, economia de energia e respeito ao meio ambiente, além de diversos modelos disponíveis que se adaptam a vários tipos de portões.
